FORD F-150 F150 RAPTOR (2021+) SERVICE WORKSHOP MANUAL

10,00 $

FORD F-150 RAPTOR P702 (2021+) SERVICE WORKSHOP MANUAL
IN PDF FORMAT (
20000+ PAGES
) SUPPLIED AS DOWNLOADABLE LINK

Here is the 2021 edition of the F-150 Raptor featuring engine 
3.3 L Cyclone V6; 3.5 L Cyclone V6; 2.7 L EcoBoost Nano twin-turboV6; 3.5 L EcoBoost twin-turbo V6; 5.0 L Coyote V8

CONTENTS:

– Engine & Systems

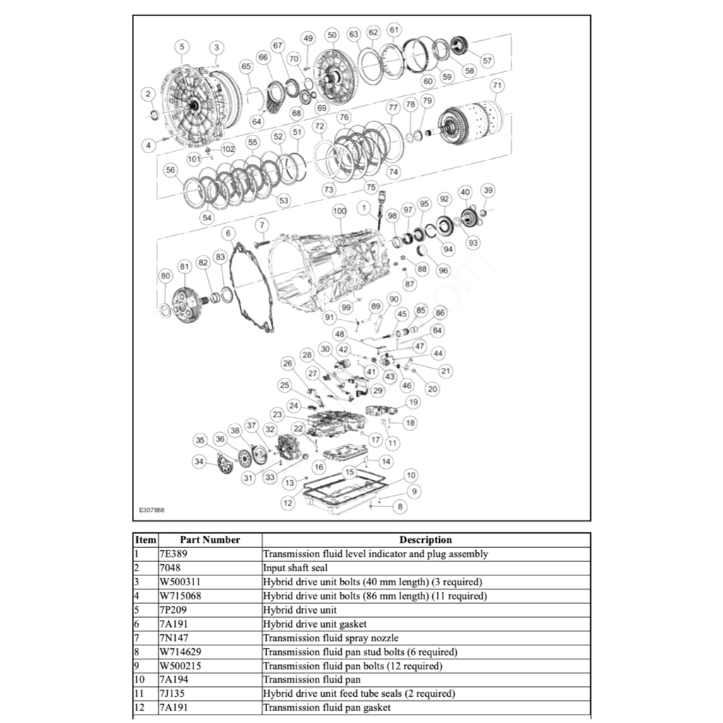
– Automatic Transmission (10 Speed 10R80)

– Running gears (Axles, Suspension. Steering & Brakes)

– Bodywork (including SRS and HVAC)

– Body electrical

– Electrical wiring diagrams

REFERENCE POWERTRAIN

Engine

Gasoline:

3.3 L Cyclone V6

3.5 L Cyclone V6

2.7 L EcoBoost Nano twin-turboV6

3.5 L EcoBoost twin-turbo V6

5.0 L Coyote V8

Diesel:

3.0 L Power Stroke turbo V6

Transmission

6-speed 6R80 automatic

10-speed 10R80 automatic

Category:

Cart

Your Cart is Empty

Back To Shop