HINO ENGINE J08C-TP/TR WORKSHOP SERVICE REPAIR MANUAL

10,00 $

HINO ENGINE J08C-TP/TR SERVICE REPAIR MANUAL IN PDF FORMAT (171 PAGES) SUPPLIED BOTH AS DOWNLOADABLE LINK AND ON PEN DRIVE SHIPPED

This is the same type of service manual your local HINO dealer will use when doing a repair. This manual has detailed illustrations as well as step by step instructions. All pages are printable, so run off what you need and take it with you into the garage or workshop. These manuals are your number one source for repair and service information. They are specifically written for the do-it-yourself-er as well as the experienced mechanic

ENGINE COVERED IN THIS MANUAL:  J08C-TP/TR

APPLICATION: HINO FD2320, SG1J, SG2J, SG3325

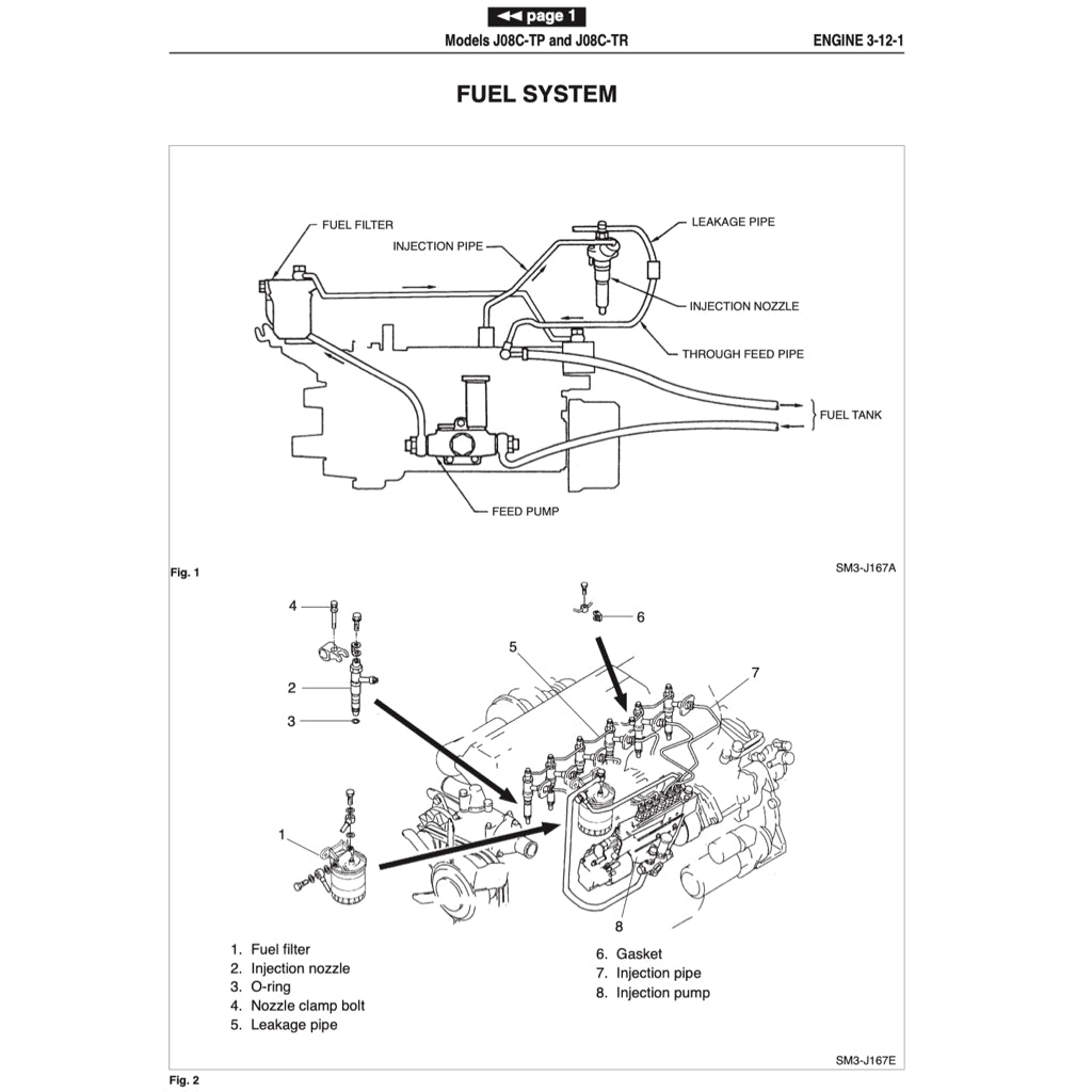
CONTENTS: SEE PICTURE

Category:

Cart

Your Cart is Empty

Back To Shop