HONDA INTEGRA / ACURA RSX DC5 (2002-2006) SERVICE WORKSHOP MANUAL

10,00 $

HONDA INTEGRA / ACURA RSX DC5 (2002-2006) FACTORY SERVICE WORKSHOP MANUAL IN PDF FORMAT (
2019 PAGES)
AVAILABLE AS DOWNLOADABLE LINK.

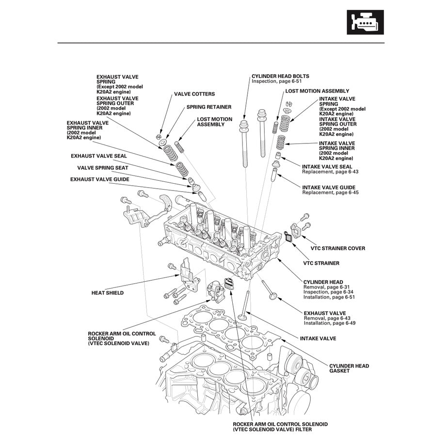
This is the same service manual your local HONDA dealer will use when doing a repair. This manual has detailed illustrations as well as step by step instructions. All pages are printable, so run off what you need and take it with you into the garage or workshop. 

ENGINES FEATURED IN THIS MANUAL: 2.0 L K20A2, 2.0 L K20A3, 2.0 L K20Z1

POWERTRAIN
Engine        
Petrol:
2.0 L K20A3 I4 (2002–2006 Base)
2.0 L K20A2 I4 (2002–2004 Type S)
2.0 L K20Z1 I4 (2005-2006 Type S)
2.0 L K20A I4 (Type R)

Transmission        
5-speed manual
6-speed manual
5-speed automatic

Category:

Cart

Your Cart is Empty

Back To Shop