HONDA WAVE ALPHA 110 AFP1100SF (2023+) SERVICE WORKSHOP MANUAL + PARTS CATALOGUE +OWNER’S MANUAL
10,00 $
HONDA WAVE ALPHA 110 AFP1100SF (2023+) SERVICE WORKSHOP MANUAL + PARTS CATALOGUE +OWNER’S MANUAL IN PDF FORMAT (347 PAGES). THIS DIGITISED MANUAL IS SUPPLIED AS DOWNLOADABLE LINK
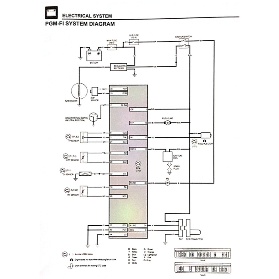
This is a comprehensive workshop manual for both technicians and DIY bike mechanic. This manual will help you restore, repair and maintain your Honda WAVE ALPHA just like professional mechanic. Very easy step by step instructions with hundreds of diagrams and schematics. Covers all aspects of the bike from engine to suspension, wheels, fuel supply, electrical and trouble shooting tips. If you can fix a Matchbox, with this manual you can fix your Honda Wave Alpha from A to Z.
CONTENT:
– General information
– Technical features
– Frame/Body/Exhaust
– Maintenance
– Lubrication system
– Fuel System
-Cooling System
– Engine Removal/Installation
– Cylinder Head /Valves
– Clutch/ Gearshift linkage
– Alternator
– Crankcase/Transmission/Balancer
– Crankshaft/Piston/Cylinder
– Front Wheel Suspension/ Steering
– Rear Wheel/ Suspension
– Rear Hydraulic Suspension
– Hydraulic Brake
– Battery Charging System
– Ignition System
– Electric Starter
– Lights/Meters/Switches
– Wiring Diagram
– Troubleshooting
– Index













