ISUZU ELF NPR NKR NHR (1999-2006) SERVICE WORKSHOP MANUAL IN PDF FORMAT (3791 PAGES). THIS IS THE PDF VERSION OF THE FACTORY MANUAL AVAILABLE AS DOWNLOADABLE LINK.
This is the same service manual your local ISUZU dealer will use when doing a repair. This manual has detailed illustrations as well as step by step instructions. All pages are printable, so run off what you need and take it with you into the garage or workshop. These manuals are your number one source for repair and service information.
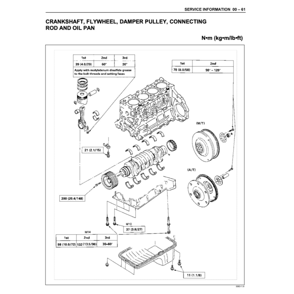
ENGINE FEATURED IN THIS MANUAL: SEE PICTURES
CONTENTS:
– GENERAL INFORMATION + MAINTENANCE
– ENGINE + SYSTEMS
– TRANSMISSION (AT+MT)
– RUNNING GEARS
– BODYWORK
– BODY ELECTRICAL
– HVAC
– WIRING DIAGRAMS + COMPONENTS LOCATION+ CONNECTORS LIST














