KIA SEDONA/CARNIVAL NAZA RIA KV-II (2002-2006) SERVICE WORKSHOP MANUAL

10,00 $

KIA SEDONA/CARNIVAL NAZA RIA KV-II (2002-2006) SERVICE WORKSHOP MANUAL PDF FORMAT (
978 PAGES
) SUPPLIED AS DOWNLOADABLE LINK.

This is the same service manual your local Kia dealer will use when doing a repair. This manual has detailed illustrations as well as step by step instructions. All pages are printable, so run off what you need and take it with you into the garage or workshop. 

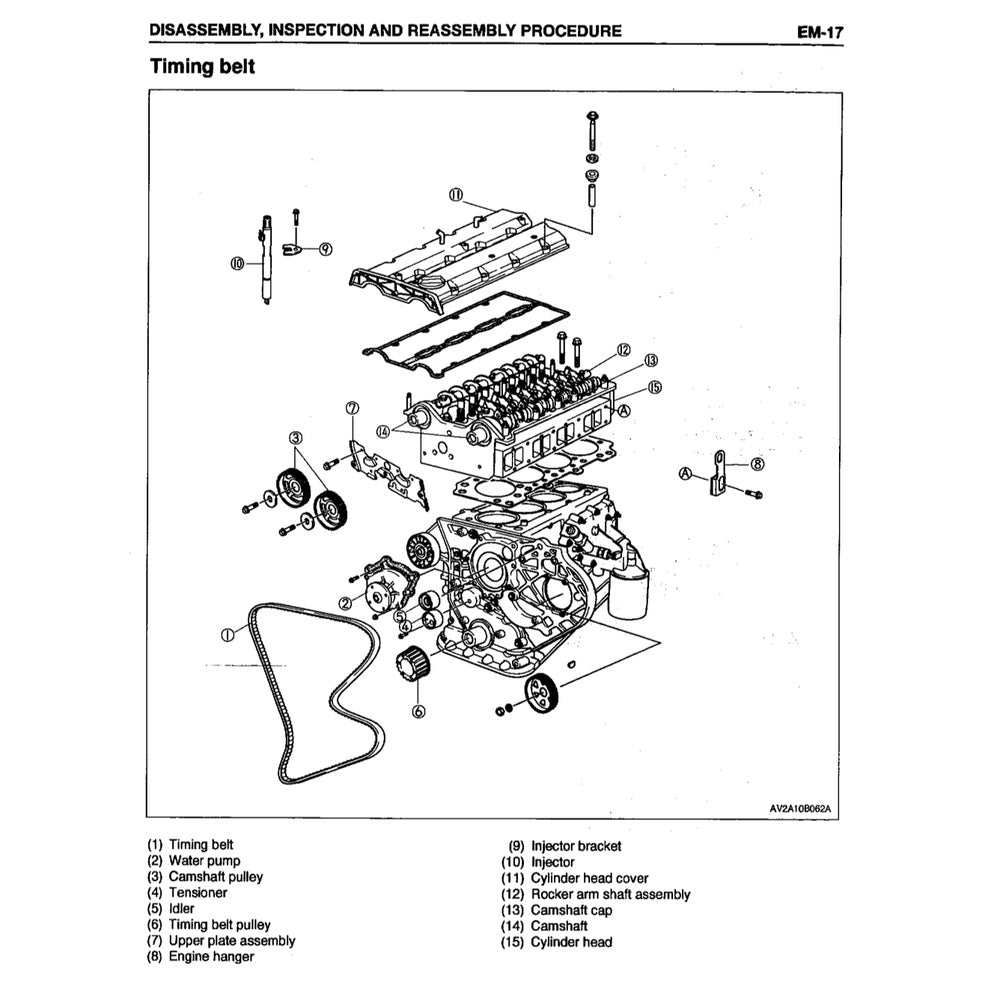
ENGINE FEATURED IN THIS MANUAL: 2.5L Rover KV6 V6 & 3.5L Sigma V6

REFERENCE POWERTRAIN
Engine        
Petrol:
2.5 L Rover KV6 V6
3.5 L Sigma V6
Diesel:
2.9 L J-Line CRDi I4
Transmission        
4-speed automatic
5-speed automatic
5-speed manual

Category:

Cart

Your Cart is Empty

Back To Shop