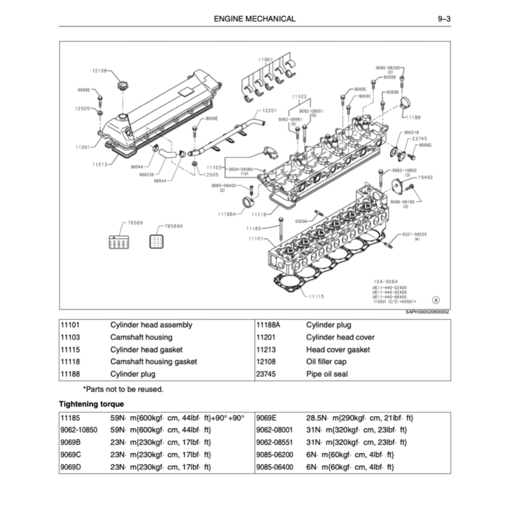
KOBELCO EXCAVATOR SERVICE WORKSHOP MANUAL – SK75 / SK 125 / SK135 / SK200 / SK210 / SK235 / SK 330 / SK 350

10,00 $

KOBELCO EXCAVATOR SERVICE WORKSHOP MANUAL IN PDF FORMAT (800-1600 PAGES) SUPPLIED AS DOWNLOADABLE LINK 

.WE ARE OFFERING THE FOLLOWING OPTIONS:

– SK75
– SK125 
– SK135
– SK200 
– SK210  
– SK235 
– SK 330
– SK 350

Category:

Cart

Your Cart is Empty

Back To Shop