NISSAN PATROL 60 SERIES (1960-1980) SERVICE WORKSHOP MANUAL

10,00 $

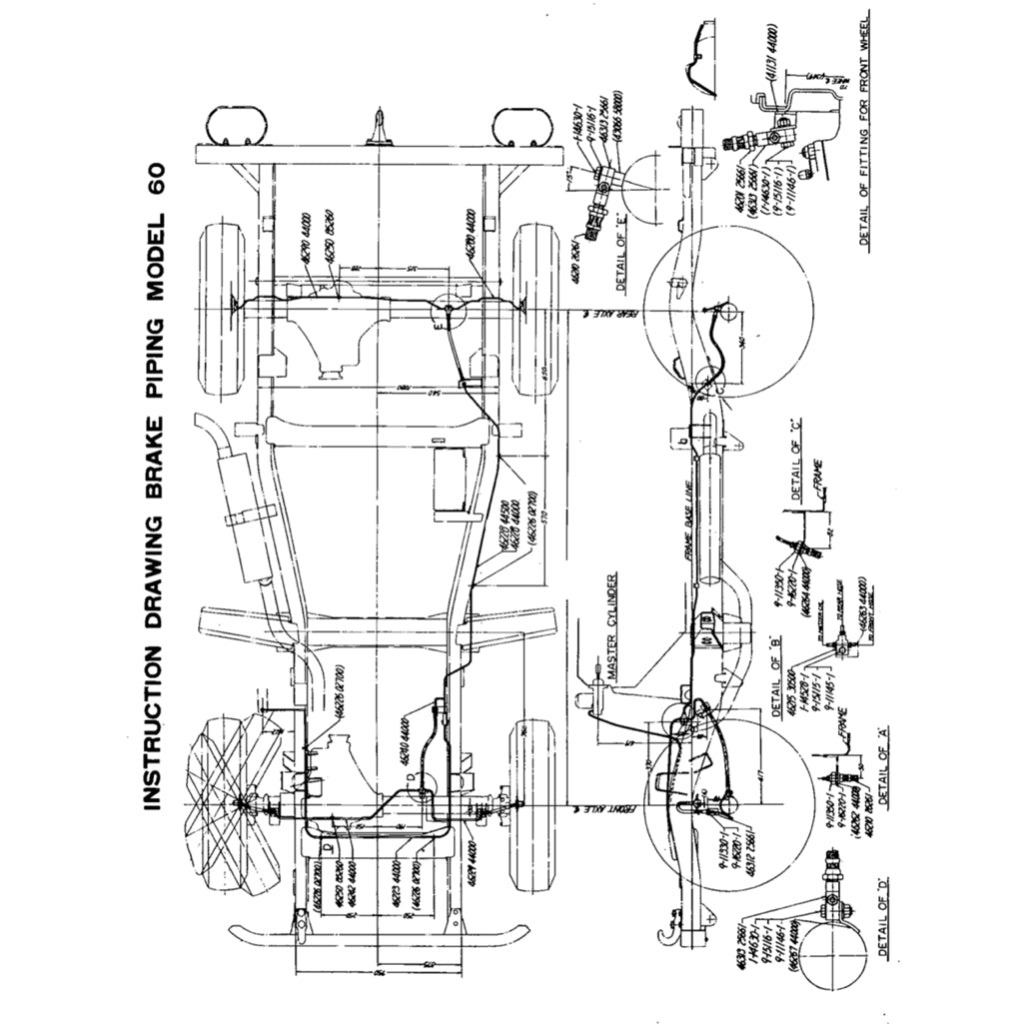
NISSAN PATROL 60 SERIES (1960-1980) SERVICE WORKSHOP MANUAL IN PDF FORMAT (241 PAGES) SUPPLIED AS DOWNLOADABLE LINK.

 

This is the same service manual your local NISSAN dealer will use when doing a repair. This manual has detailed illustrations as well as step by step instructions. All pages are printable, so run off what you need and take it with you into the garage or workshop. Each manual provides step-by-step instructions based on the complete dis-assembly of the machine. It is this level of detail, along with hundreds of photos and illustrations, that guide the reader through each service and repair procedure. 

 

 

Powertrain

Engine: 4.0 L P I6

Transmission3/4-speed manual

Category:

Cart

Your Cart is Empty

Back To Shop