PERODUA ATIVA A270 (2021+) SERVICE WORKSHOP MANUAL IN PDF FORMAT (3826 PAGES) SUPPLIED AS DOWNLOADABLE LINK.
ENGINE COVERED BY THIS MANUAL: 1.0L KR-VET turbo I3
THE MANUAL IS PRESENTED IN 4 PARTS:
– TECHNICAL MANUAL (630 PAGES)
– WORKSHOP MANUAL (2798 PAGES)
– WIRING MANUAL (228 PAGES)
– BODY REPAIR MANUAL (166 PAGES)
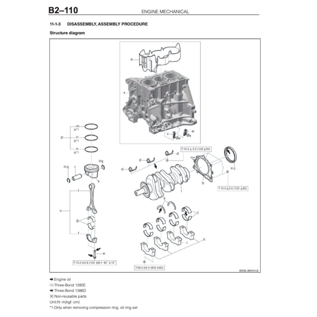
CONTENTS: SEE PICTURE
POWERTRAIN
Engine
996 cc 1KR-VET turbo I3
1198 cc WA-VE I3
Transmission
5-speed manual
CVT
Flamingo Automotive Reference_________________

















