PORSCHE 968 (1991-1995) SERVICE WORKSHOP MANUAL

10,00 $

PORSCHE 968 (1991-1995) FACTORY SERVICE WORKSHOP MANUAL + PARTS CATALOGUE IN PDF FORMAT (1241 PAGES). THIS MANUAL IS THE DIGITISED VERSION OF THE ORIGINAL FACTORY MANUAL SUPPLIED AS DOWNLOADABLE LINK.

THE manual provide the highest level of clarity and comprehensiveness for service and repair procedures. If you’re looking for better understanding of your 968, look no further.

POWERTRAIN
Engine        
3.0 L M44/12 16-valve I4
3.0 L 8-valve turbocharged I4

Transmission        
6-speed manual
4-speed tiptronic automatic

WHAT’S INSIDE ?
– Maintenance procedures from changing the oil to replacing the interior ventilation microfilter. This manual tells you what to do and how and when to do it.
– Step-by-step engine removal and installation and cylinder head cover service.
– Cooling system filling and bleeding, coolant pump replacement and engine cooling fan and radiator service.
– Fuel injection and ignition system service, including explanation of three different Bosch DME engine management systems.
– Clutch, flywheel and rear main seal service.
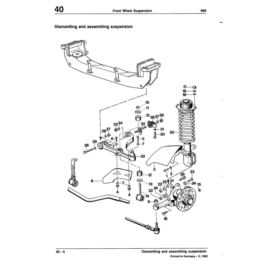
– Brakes, steering, suspension and ABS maintenance, troubleshooting, and repair.
– Heating and air-conditioning repair, including A/C component replacement.
– Body adjustments and repairs.
– Convertible top repairs and adjustments, including convertible top motor, drive cables and transmissions service.
– Electrical system service, with an easy-to-use illustrated component locator section.
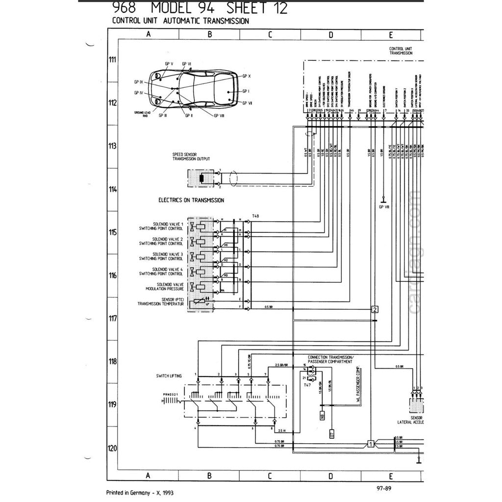
– Wiring schematics for selected models, including power distribution, grounds, convertible top and other hard to find circuits.

Category:

Cart

Your Cart is Empty

Back To Shop