TRIUMPH TRIDENT 660 (2021+) SERVICE WORKSHOP MANUAL + OWNER’S MANUAL IN PDF FORMAT (1274 PAGES) SUPPLIED AS DOWNLOADABLE LINK.
Comprehensive yet concise workshop manual for both technicians and DIY bike mechanic. This manual will help you restore and maintain your bike just like professional mechanic. Very easy step by step instructions with lots of diagrams and high resolution photos. Covers all aspects of the bike from engine to suspension, wheels, fuel supply, electrical and trouble shooting tips.
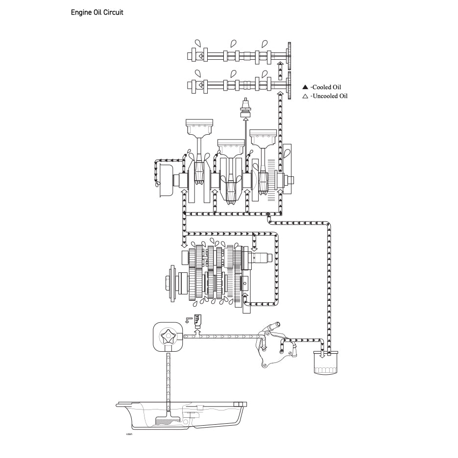
CONTENTS: SEE PICTURE
Flamingo Automotive Reference__________________________














